Dveřní stanice VIDOS DUO S1401D
Kód: 13117Detailní popis produktu
Dveřní stanice
VIDOS DUO S1401D
Klíčové vlastnosti
- Pouzdro z nerezové oceli odolné proti vandalismu
- Montáž pod omítku
- 2,0Mpix fotoaparát, pozorovací úhel 170°
- Vestavěný kombinační zámek s dotykovou klávesnicí
- Osvětlená cedule se jménem.
Účel
Dveřní stanice pro jednoho účastníka s vestavěným kódovým zámkem, který umožňuje otevření vchodu pomocí kódu. Přední panel z broušené nerezové oceli je vybaven dotykovou podsvícenou numerickou klávesnicí. Klávesnice funguje jako vstupní terminál a programovací panel. Klávesnice a vývěsní štít jsou během hovoru, konverzace a otevírání dveří podsvíceny libovolnou barvou (RGB). Noční LED osvětlení umožňuje pohodlné používání zařízení za snížené viditelnosti.
Popis produktu
VIDOS DUO SYSTEM Nepolární, dvouvodičové připojení a spolupráce s funkčními moduly poskytují spolehlivé a velmi pohodlné instalační řešení pro téměř každé prostředí. Přístroje se vyznačují vynikajícím zpracováním a funkcemi, které byly dříve vyhrazeny pro špičkové produkty. Vkusný design spojuje všechny přednosti systému DUO do jediné jednotky a vytváří tak špičkový produkt.
Funkce
- Pouzdro z nerezové oceli odolné proti vandalismu
- Montáž pod omítku
- 2,0Mpix fotoaparát, pozorovací úhel 170°
- Vestavěný kombinační zámek s dotykovou klávesnicí
- Osvětlená cedule se jménem.
- Měnitelné podsvícení klávesnice a nápisu (RGB)
- Noční světlo LED - (bílé světlo)
- Programování klávesnice pomocí funkčních kódů.
- 1 reléový výstup (druhé relé s modulem B5)
- Podporuje otvírače dveří a elektromagnetické propojky
- 12 V výstup pro napájení nízkoproudého otvírače dveří
- Maximální počet podporovaných vnitřních zařízení - 12.
- Podporuje funkci adresovaného interkomu
- Stupeň krytí IP54
- Rozměry: 220 x 120 x 50 mm
- dvouvodičové připojení k celému systému.
Funguje se všemi monitory a uniphony řady DUO
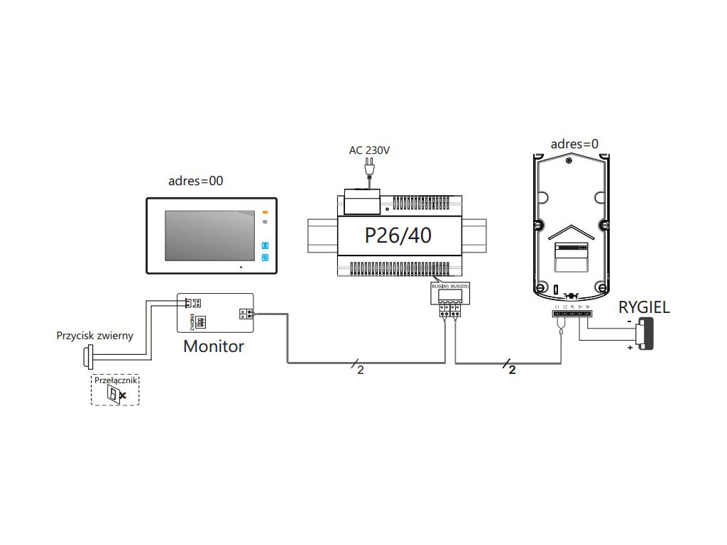
Schéma zapojení
Specifikace
- Napájení : 24V DC
- Napájení elektrické dveřní závory : 12V DC max.250mA
- Spotřeba energie 0,96 W v pohotovostním režimu / 3,84 W při práci
- Reléové výstupy : 1 nebo 2 s modulem B5
- Parametry videosignálu : 1Vp-p 75 ohmů CCIR
- Maximální zatížení kontaktů relé : 6A
- Rozlišení : 2.0Mpix
- Zorný úhel objektivu : 170 stupňů
- Způsob montáže : skrytý
- Rozsah provozních teplot : -18˚ C ~ +55 C
- Stupeň ochrany : IP54
- Vnější rozměry : 220 x 120 x 50 mm
Doplňkové parametry
| Kategorie: | Venkovní panely |
|---|---|
| Záruka: | 2 roky |
| Hmotnost: | 2 kg |
| EAN: | 5907281206303 |
| Další funkce: | Vestavěný kombinační zámek |
| Horizontální úhel pohledu kamery: | 170 ° |
| Obrazový snímač fotoaparátu: | 2.0Mpix |
| Počet propojovacích kabelů: | 2 + 2 |
| Rozměry v mm (š x v x h): | 220 x 120 x 50 mm |
| Spolupráce se systémy: | VIDOS DUO |
| Typ montáže na panel: | Pod omítkou |
| Typ nočního osvětlení kamery: | LED diody |
| Vestavěná kamera: | Ano |
Hodnocení produktu
Buďte první, kdo napíše příspěvek k této položce.
Diskuze
Buďte první, kdo napíše příspěvek k této položce.
