Hlasový telefon VIDOS DUO U1011
Kód: 13114Související produkty
Detailní popis produktu
Hlasový telefon
VIDOS DUO U1011
Klíčové vlastnosti
- 2vodičové připojení k systému
- Podporuje až 4 dveřní stanice
- Interkom
- 12 melodií vyzvánění
Účel
Uniphone určený pro použití se systémem VIDOS DUO. Určeno pro systémy pro jednu rodinu a více účastníků. Zařízení lze použít jako samostatný komunikační bod nebo jako rozšíření systému videointerkomu v jednom objektu s připojenými monitory.
Popis produktu
SYSTÉM VIDOS DUO
Nepolarizované dvouvodičové připojení a spolupráce s funkčními moduly poskytují spolehlivé a velmi pohodlné řešení instalace téměř ve všech podmínkách. Tyto jednotky se vyznačují vynikajícím zpracováním a funkcemi, které byly dříve vyhrazeny pro špičkové výrobky. Vkusný design spojuje všechny přednosti systému DUO do jediné jednotky a vytváří tak špičkový produkt.
Podobně jako všechna zařízení řady DUO podporuje uniphone až 4 dveřní stanice a kromě brány může ovládat další relé, např. automatickou bránu (po přidání modulu B5). Funkce interkomu umožňuje interní komunikaci mezi zařízeními v jednom objektu.
Uniphone je vybaven konektorem pro připojení dalšího zvonkového tlačítka. Pouzdro je vyrobeno z vysoce kvalitního leštěného plastu v kombinaci s hliníkovými prvky.
FUNGUJE SE VŠEMI ZAŘÍZENÍMI ŘADY VIDOS DUO
Technické specifikace
- Napájecí napětí : 24V DC
- Počet vodičů : 2 bez polarity
- Počet podporovaných vstupů : 1 nebo 4 s modulem M-S4
- Interkom : ANO
- Spotřeba proudu v pohotovostním režimu : 4,4 mA
- Spotřeba proudu v provozním režimu : 81 mA
- Provozní teploty : +10 C ~+40 C
- Rozměry : 90 x 138 x 17,5 mm
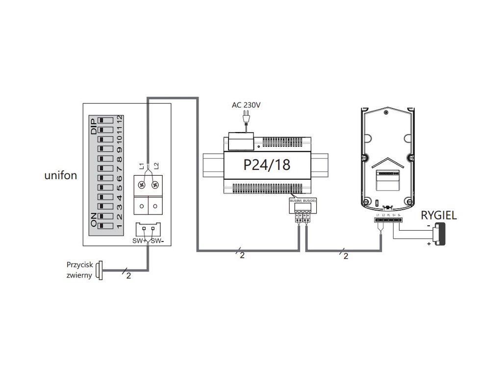
Příklad schématu zapojení
Doplňkové parametry
| Kategorie: | Videotelefony |
|---|---|
| Záruka: | 2 roky |
| Hmotnost: | 1 kg |
| EAN: | 5907281206129 |
| Funkce interkomu: | Ne |
| Ovládání hlasitosti hovoru: | Ne |
| Ovládání vstupní brány: | Ne |
| Podpora několika vstupů: | Ne |
| Rozměry telefonu Uniphone: | BD |
| Typ Uniphone: | Reproduktor |
Hodnocení produktu
Buďte první, kdo napíše příspěvek k této položce.
Diskuze
Buďte první, kdo napíše příspěvek k této položce.
